CIRCUIT BREAKER

Circuit breaker

A Circuit breaker is a device that can operate on command to make or break an electrical circuit in a fraction of a second. Breaking a circuit on detection of an electrical fault is very essential otherwise fault current propagation for enhanced time can potentially damage the electrical equipment connected to the circuit.

Circuit breaker

Working Principle

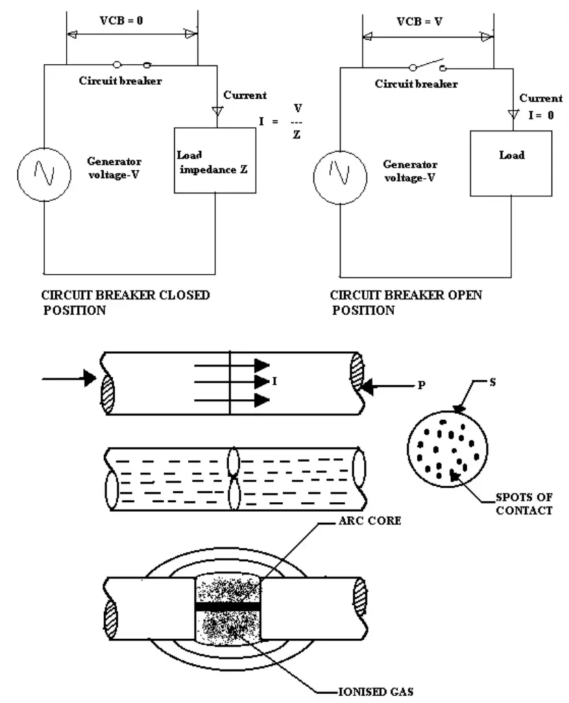
The circuit breaker must be designed to carry the rated current without abnormal temperature rise in normal circuit conditions. However in the encounter with a fault, the protective relay sends a trip signal to the circuit breaker, and the tripping coil gets charged which instantly opens the contact of the circuit breaker for fault isolation.

As long as the contacts are closed, rated current flows across the contacts normally. Since, at the juncture, the contacts are pressed hard by mechanical force, the junction resistance remains low. During the tripping operation or opening of the circuit breaker, as the contact pressure drops, the resistance keeps building up. As the area of contact reduces, high current density builds up creating hotspots. This rise in temperature along with electrical stress or voltage across the gap instantly ionizes the medium between the contact. This ionization provides a conductive path resulting in an electric arc.

With the contact separation, the gap also gradually increases, increasing the arc length. This increases the resistance of the arc because of the longer length. At the designed gap, the arc resistance becomes so high that the source fails to sustain the arc and thus it is extinguished.

Various arc-limiting processes

Arc Lengthening

Resistance is directly proportional to the length of the arc and inversely proportional to the cross-sectional area. Now, if we assume the arc is equivalent to a conductor. Then,        

R =     rL / A, where

  • r          =          Resistivity of the arc
  • L          =          Length of the arc
  • A         =          Area of the cross-section of the arc
  • R         =          Resistance of the arc

Arc Cooling

The voltage required to maintain the ionization increases with a decrease in temperature so that cooling effectively increases the resistance.

Arc Constraining

If the arc can be constrained into a very narrow channel, the resistance gets increased due to a reduction in cross-sectional area and ionization decreases for a given voltage.

Arc Splitting

There are two methods: –

  1. The arc passes into the designed splitters where its length increases. Because of the increase in arc length, the resistance becomes higher and it also improves the cooling of breaker contacts.
  2. The arc is made to split into a number of smaller arcs so that the voltage drop across multiple smaller arcs becomes more than the supply voltage. Thus reducing the arc energy liberation.

The switching operation of a circuit breaker, closing, and opening is characterized by the electrical parameters. That is during closing, the rated voltage and the making current are prominent, and in the opening operation, the breaking current and the recovery voltage.

It may be noted that the making and the breaking currents are much higher than the rated current and on the inception of fault, there is a voltage drop, and after interruption, the voltage recovers.

The breaking capacity is usually expressed in Mega -Volt Amperes (MVA) and it is the product of the rated breaking current in kilo amperes and rated voltage expressed in kilo-volts. Hence breaking capacity for a three-phase circuit breaker whether symmetrical or asymmetrical,

                                                            = 1.732 V I x10 -6 MVA

Basic principle of circuit breaker

Ratings of Circuit breaker

Rated Voltage: It is the maximum continuous voltage that the circuit breaker can withstand under normal operating conditions. It is 1.1 times the nominal system voltage. A 33KV breaker will have a rated voltage of 36KV, and a 132KV breaker will have a rated voltage of 145KV.

Rated current: It is the maximum continuous current that the breaker can handle under normal operating conditions.

Short-time withstanding capacity: It is the maximum fault current that a breaker can handle for a short time period without any thermal failure. It is rated in KiloAmps for 1 or 3 sec.

Breaking current: It is the maximum fault current that a breaker can break during a fault without any damage. The symmetrical current contains pure AC fault current while the asymmetrical current contains pure AC current as well as DC offset present at the time of fault. It is rated in KA.

Making current: It is the highest current value that a breaker can close on to during a persisting fault condition. It is rated in KA peak. Making current is usually 2.5 times the breaking current.

Operating sequence or Duty Cycle: It denotes the quick action and sequence of operation of a circuit breaker. The usual operating sequence is O-0.3s-CO-3min-CO, where O denotes opening operation and C denotes closing.

Rated Frequency: It is the system frequency, the breaker will be subjected to. 50Hz or 60Hz.

First pole to clear factor: In a multi-pole AC circuit breaker, the contacts of all three poles do not separate at the same instant. Therefore, the first pole to clear or separate after arc extinction, experiences the highest transient recovery voltage. The first pole to clear factor is a ratio of voltage across the first pole to clear to the system voltage.

TYPES OF CIRCUIT BREAKER

Circuit breaker classifications are broadly made on the location of installation

  • Indoor circuit breaker
  • Outdoor circuit breaker

An insulating medium (dependent on voltage rating) is intended to restrict the propagation of the arc quickly in the breaker. The most common insulating mediums for circuit breakers used in the industry are: –

  1. Air at atmospheric pressure – Air Circuit Breakers– (ACB)
  2. Compressed air – Air Blast Circuit Breakers – (ABCB)
  3. Sulphur Hexafluoride  Gas Circuit Breaker– (SF6 CB)
  4. Ultra-high vacuum – Vacuum Circuit Breakers – (VCB)

Operating Mechanism

  • Motor Operated Spring Closing Mechanism
  • Electro-hydraulic operated circuit breakers
  • Electro-pneumatic operated circuit breakers

The breakers can also be divided into two broad categories on account of their operation: –

  1. Fixed trip type
  2. Trip free type

Fixed trip type breakers are those breakers, which can be closed on faults and the breakers shall trip only after completing the closing operation. But in the case of the trip-free type of circuit breakers, it does not complete the closing operation if a tripping signal on account of fault exists. The breaker shall start tripping operation before the contacts actually meet.

This article is a part of the Switchgear, where other articles related to switchgear are discussed in details.

Leave a Comment